
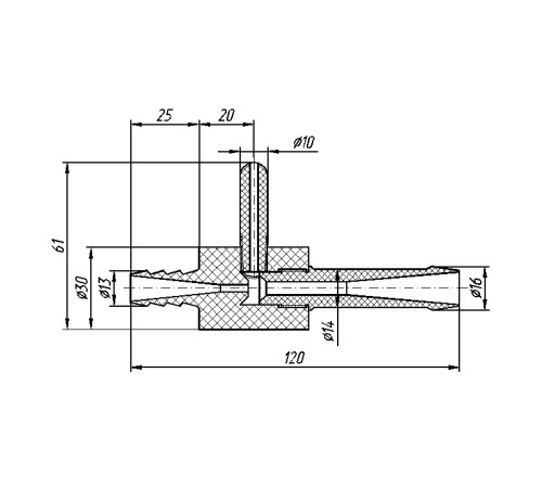
Водоструйный насос из фторопласта марки Ф4 типа НВФ является аналогом стеклянного водоструйного насоса.
Производительность насоса при давлении в водопроводной сети 2 атм: 0.8-0.95 л/мин.
Насос НВФ-1 присоединяется к крану с помощью резинового шланга.
Лабораторная посуда из фторопласта марки Ф4 используется в лабораториях для работы с различными агрессивными жидкостями при температуре до +200°С. Посуда из фторопласта может использоваться взамен платиновой и стеклянной посуды
В лабораторной посуде из фторопласта марки Ф4 можно нагревать, кипятить, выпаривать растворы, вскрывать руды, растворять осадки с помощью лабораторных бань, а также с применением электроплиток с закрытыми спиралями, исключающими нагрев посуды выше +200°С. На открытые нагреватели и открытый огонь лабораторную посуду из фторопласта марки Ф4 ставить категорически запрещается.
Лабораторная посуда из фторопласта Ф4 изготовлена в соответствии с ТУ 95-173-78.
Нет отзывов об этом товаре.
Нет вопросов об этом товаре.
Доставка заказов осуществляется в любые регионы Российской Федерации и страны СНГ.
Цены на нашем сайте указаны с учетом НДС (20% либо 10%).
Оплата заказов производится только в безналичной форме на расчетный счет в рублях Российской Федерации на основании выставленного Счета.
Для бюджетных организаций и государственных структур предусмотрены особые условия оплаты.
Постоянным клиентам предоставляются скидки и индивидуальный порядок расчетов.
Внимание! В связи с нестабильным курсом валют и изменением цен у производителей, просим окончательную стоимость продукции уточнять у наших менеджеров.
Варианты доставки:
Самовывоз со склада в городе Клин
Адрес выдачи: Московская область, г. Клин, ул. Захватаева, д. 4, офис 101
Контактный телефон: +7 (977) 407-05-96
Доставка по Клину и Клинскому району – бесплатно
Доставка по Москве – 1 500 рублей
Доставка любыми транспортными компаниями, службами экспресс-доставки. Стоимость рассчитывается индивидуально для каждого заказа в соответствии с установленными тарифами транспортной компании. Все грузы застрахованы.